Démontage panneau latéral droit coffre touran

Ici on discute de l'habillage intérieur, du coffre, ...

Modérateur : Modérateurs

Répondre
Psaimond
baby
baby
Messages : 3
Enregistré le : 02 nov. 2017, 12:41

Démontage panneau latéral droit coffre touran

Message par Psaimond »

Bonjour,
Je recherche un tuto ou une explication pour démonter le panneau latéral droit du coffre de mon Touran ( celui où il y a une prise allume-cigare 12v).
Merci pour vos explications et conseils.
Cordiales salutations.
Philippe
Avatar du membre
farnouche
Seigneur
Seigneur
Messages : 999
Enregistré le : 16 oct. 2010, 21:14
Localisation : LILLE

Re: Démontage panneau latéral droit coffre touran

Message par farnouche »

c'est chiant à faire car tu as :
- l'entourage de coffre à enlever
- l'entourage de vitre arrière à enlever
- l'entourage de montant avec la ceinture à enlever
- une vis au milieu de hauteur coté coffre sous un cache plastique rond
- 2 vis sur la proie coté portiere
- une vis sous le plastique de portière
en plus de ça... il faut démonter l'attache de la ceinture si tu veux dégarnir complétement

mais si tu veux juste accéder à la trappe à essence ou la prise 12V, tu peux juste démonter la vis (coté coffre) et déclipser sans forcer
oups !!! something is wrong :mrgreen:
Psaimond
baby
baby
Messages : 3
Enregistré le : 02 nov. 2017, 12:41

Re: Démontage panneau latéral droit coffre touran

Message par Psaimond »

Bonjour et merci pour cette réponse.Sans vouloir abuser, auriez vous une photo pour m'indiquer la visse dont vous parlez ? D'avance merci.
Avatar du membre
Sly83
Modérateur
Modérateur
Messages : 3057
Enregistré le : 03 févr. 2014, 20:58

Re: Démontage panneau latéral droit coffre touran

Message par Sly83 »

Précise nous peut être ce que tu veux faire. Il y a peut être des astuces pour éviter de tout démonter
Touran Cross 2.0 140 CH DSG6 de 2008 (BMM/KMY) - Pack City 2, Toit Ouvrant, Volant Multifonction, Palette au Volant, Discover Media PQ Gen2, Caméra de recul Highline, Coming/Leaving Home, Retro V3 avec éclairage au sol + Codage Ouv/Ferm Auto, Pack Full Led Int/Ext, Feux Led et Lave-Phares, Éclairage de pied, Covering Carbone, Vitres Teintées, Attelage Oris RDSOV
Outils : VagCom (VCDS) 25.03 FR - ETKA 8.5 - Elsawin 6.0 [VW 2017 - Audi 2016 - Seat 2015 - Skoda 2014] - Mon Profil
Cartographie 2020 (ultime version) disponible pour RNS510/810 (v17), RNS315 (v12) et RNS310 (v12)
Cartographie 2025-26 disponible pour Discover Media et Discover Pro (MIB 1-2-3)
Cartographie 2025-26 disponible pour Audi MIB 1-2-3
A vendre Camera recul, RNS510 et Discover Media PQ : me contacter en MP
Avatar du membre
farnouche
Seigneur
Seigneur
Messages : 999
Enregistré le : 16 oct. 2010, 21:14
Localisation : LILLE

Re: Démontage panneau latéral droit coffre touran

Message par farnouche »

Psaimond a écrit :Bonjour et merci pour cette réponse.Sans vouloir abuser, auriez vous une photo pour m'indiquer la visse dont vous parlez ? D'avance merci.
la vis cachée sous un plastique rond se trouve pile poil au milieu de la hauteur (juste avant le plastique du dessus), peut être dans le rail de guidage de la "bâche" plastique
oups !!! something is wrong :mrgreen:
Avatar du membre
Sly83
Modérateur
Modérateur
Messages : 3057
Enregistré le : 03 févr. 2014, 20:58

Re: Démontage panneau latéral droit coffre touran

Message par Sly83 »

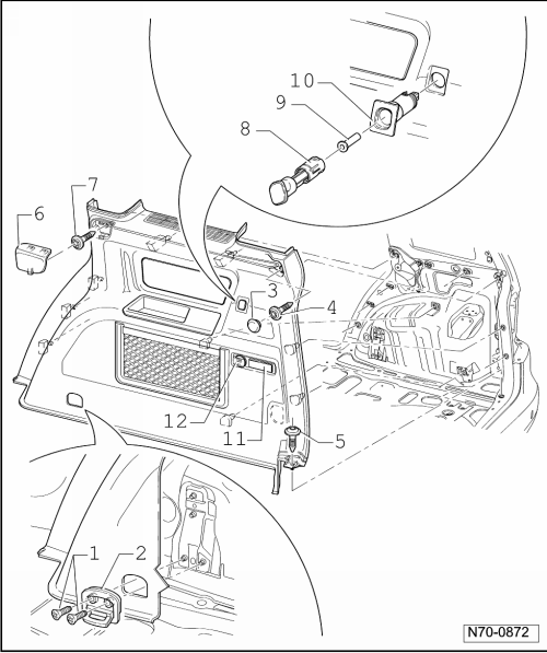
Un petit schéma d'Elsawin pour illustrer tout ça !!
schéma_garniture_panneau_latéral_coffre.png
Touran Cross 2.0 140 CH DSG6 de 2008 (BMM/KMY) - Pack City 2, Toit Ouvrant, Volant Multifonction, Palette au Volant, Discover Media PQ Gen2, Caméra de recul Highline, Coming/Leaving Home, Retro V3 avec éclairage au sol + Codage Ouv/Ferm Auto, Pack Full Led Int/Ext, Feux Led et Lave-Phares, Éclairage de pied, Covering Carbone, Vitres Teintées, Attelage Oris RDSOV
Outils : VagCom (VCDS) 25.03 FR - ETKA 8.5 - Elsawin 6.0 [VW 2017 - Audi 2016 - Seat 2015 - Skoda 2014] - Mon Profil
Cartographie 2020 (ultime version) disponible pour RNS510/810 (v17), RNS315 (v12) et RNS310 (v12)
Cartographie 2025-26 disponible pour Discover Media et Discover Pro (MIB 1-2-3)
Cartographie 2025-26 disponible pour Audi MIB 1-2-3
A vendre Camera recul, RNS510 et Discover Media PQ : me contacter en MP
Psaimond
baby
baby
Messages : 3
Enregistré le : 02 nov. 2017, 12:41

Re: Démontage panneau latéral droit coffre touran

Message par Psaimond »

Bonjour et merci beaucoup. En fait, je recherchais à récupérer une alimentation pour brancher un faisceau d'attelage.
Bonnes fêtes.
Philippe
Merci
Avatar du membre
Sly83
Modérateur
Modérateur
Messages : 3057
Enregistré le : 03 févr. 2014, 20:58

Re: Démontage panneau latéral droit coffre touran

Message par Sly83 »

Je préconise un montage depuis le porte fusible sous le volant. Pour un montage d'origine VW, il faut clairement le faire.
Pour un montage en adaptable tu dois avoir le schéma électrique fourni avec le produit : tu peux te reprendre sur le branchement de l'allume cigare (+ apc). Je pense que tu devras aussi aller chercher un signal issu de l'ampoule de recul.
Regarde dans la section attelage tu dois avoir des exemples de montage
Dans le cas d'un montage en adaptable, tu risques d'avoir un voyant "ampoule" au niveau de l'odb.
Touran Cross 2.0 140 CH DSG6 de 2008 (BMM/KMY) - Pack City 2, Toit Ouvrant, Volant Multifonction, Palette au Volant, Discover Media PQ Gen2, Caméra de recul Highline, Coming/Leaving Home, Retro V3 avec éclairage au sol + Codage Ouv/Ferm Auto, Pack Full Led Int/Ext, Feux Led et Lave-Phares, Éclairage de pied, Covering Carbone, Vitres Teintées, Attelage Oris RDSOV
Outils : VagCom (VCDS) 25.03 FR - ETKA 8.5 - Elsawin 6.0 [VW 2017 - Audi 2016 - Seat 2015 - Skoda 2014] - Mon Profil
Cartographie 2020 (ultime version) disponible pour RNS510/810 (v17), RNS315 (v12) et RNS310 (v12)
Cartographie 2025-26 disponible pour Discover Media et Discover Pro (MIB 1-2-3)
Cartographie 2025-26 disponible pour Audi MIB 1-2-3
A vendre Camera recul, RNS510 et Discover Media PQ : me contacter en MP
Avatar du membre
fab01
Modérateur
Modérateur
Messages : 26189
Enregistré le : 08 août 2005, 13:11
Localisation : Fmms ou 4810m
Has thanked : 1 time

Re: Démontage panneau latéral droit coffre touran

Message par fab01 »

Oui s'il veut faire en mode hyper facile --> il lui faut acheter un smartset
Eleveur de Touran :D :mrgreen:
Touran TDI 136 confort
Touran 2.0 TDI 140 carat DSG V1
Touran 2.0 TDI 170 carat DSG V2
Touran 2.0 TDI 140 DSG R-Line full options V2 Hybride :mrgreen:
VW T6 Caravelle 4Motion
Seat Leon MK3
Mon profil clic ici
Avatar du membre
Sly83
Modérateur
Modérateur
Messages : 3057
Enregistré le : 03 févr. 2014, 20:58

Re: Démontage panneau latéral droit coffre touran

Message par Sly83 »

A voir ce qu'il y aura choisi comme type de montage.
Touran Cross 2.0 140 CH DSG6 de 2008 (BMM/KMY) - Pack City 2, Toit Ouvrant, Volant Multifonction, Palette au Volant, Discover Media PQ Gen2, Caméra de recul Highline, Coming/Leaving Home, Retro V3 avec éclairage au sol + Codage Ouv/Ferm Auto, Pack Full Led Int/Ext, Feux Led et Lave-Phares, Éclairage de pied, Covering Carbone, Vitres Teintées, Attelage Oris RDSOV
Outils : VagCom (VCDS) 25.03 FR - ETKA 8.5 - Elsawin 6.0 [VW 2017 - Audi 2016 - Seat 2015 - Skoda 2014] - Mon Profil
Cartographie 2020 (ultime version) disponible pour RNS510/810 (v17), RNS315 (v12) et RNS310 (v12)
Cartographie 2025-26 disponible pour Discover Media et Discover Pro (MIB 1-2-3)
Cartographie 2025-26 disponible pour Audi MIB 1-2-3
A vendre Camera recul, RNS510 et Discover Media PQ : me contacter en MP
Répondre

Retourner vers « Touran : garnitures intérieurs »

Qui est en ligne

Utilisateurs parcourant ce forum : Aucun utilisateur enregistré et 1 invité